32797DEK
32797DEK

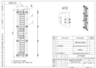
DekraftUno Секционная перегородка боковая для шкафа ВхГ: 1400х400мм, 2шт

Референс:

Серия:

Предназначена для ограничения доступа в шкаф с боковой стороны и защите обслуживающего персонала от поражения электрическим током. Состоит из двух секций.

8 784  

Спецификация

Документы

Тип документа
Каталог
Шкафы напольные DekraftUno
Дата документа: 13/04/2026
Формат PDF
Размер 7,69 MB
Шкафы напольные DekraftUno
2D чертежи
Техническая документация референса 32797DEK
Дата документа: 26/12/2025
Формат PDF
Размер 118,66 kB
Техническая документация референса 32797DEK
Каталог
Каталог типовые решения Dekraft
Дата документа: 20/02/2026
Формат PDF
Размер 16,22 MB
Каталог типовые решения Dekraft

Подписаться на электронную рассылку Dekraft