
Компания АО «Шнейдер Электрик» выражает Вам свое почтение и информирует о запуске пускателей в оболочке серии ПМ-102 торговой марки Dekraft на токи до 95А в пластиковом и металлическом корпусах.
Пускатели предназначены для применения в качестве комплектующих изделий в схемах управления электроприводами для дистанционного пуска непосредственным подключением к сети и остановки трехфазных асинхронных электродвигателей с короткозамкнутым ротором, для коммутации осветительных сетей, нагревательных цепей, первичных цепей трехфазных трансформаторов и других токоприемников при напряжении до 660 В переменного тока частоты 50 и 60 Гц одной из фаз.
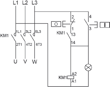
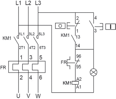
Пускатели поставляются БЕЗ реле теплового. Тепловое реле необходимо заказать отдельно, но все комплектующие для его подключения есть в составе пускателя.
При комплектации пускателей тепловыми реле серии РТ-02 осуществляют защиту цепей переменного тока и электродвигателей от перегрузки, асимметрии фаз, затянутого пуска и заклинивания ротора. Все вышеперечисленные проблемы могут привести к поломке электродвигателя! Тепловое реле серии РТ-02 позволяет их избежать и продлить срок службы двигателя.
![]() | ![]() | ![]() | ![]() |
ПМ-102 до 18А Металлический корпус | ПМ-102 до 38А Металлический корпус | ПМ-102 до 38А Пластиковый корпус | ПМ-102 до 95А Металлический корпус |
Отличительными особенностями пускателей серии ПМ-102 являются:
Пускатели серии ПМ-102 применяются в конвейерах, станках, компрессорах, насосах, лифтах, эскалаторах, тепловых пушках и завесах, системах управления отоплением, вентиляцией и кондиционированием и т.д.
![]() | Широкий ассортимент пускателей в металлическом корпусе Пускатели на токи до 38А представлены как в пластиковом так и металлическом корпусе |
![]() | Интуативно удобное управление и сигнализация. Все пускатели снабжены кнопками «Пуск» (зеленая) и «СТОП» (красная) и сигнальной лампой, показывающей замкнута цепь или разомкнута. |
![]() | Новое поколение Пускатели сделаны на базе новой платформы контакторов серии КМ-102. С завода НЕ комплектуются реле тепловыми серии РТ-02, а выбираются отдельно на усмотрение клиента. |
![]() | Степень защиты оболочки IP54 дает возможность применения в различных условиях эксплуатации
|
![]() | Универсальность использования Пускатель можно использовать как без, так и с реле тепловым перегрузки серии РТ-02 |
![]() | Легкость подключения Для большинства решений, когда напряжение цепи управления равно от напряжению главной цепи, все подключения идут с завода. |
Более подробно с ассортиментом и технической информацией об устройстве можно ознакомиться на нашем сайте dek.ru.